产品名称:电磁换向阀
产品型号:SP08系列
产品介绍:
电磁阀操作,直动式,3 位4 通电机阀芯,比例方向控制。
它是一种旋入式液压插装阀,用于通用液压油。手动超控功能作为选件提供。
包装方式:

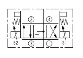
断电时,SP08-47DL 会阻止流向端口 3,同时允许从端口 2 流向端口 1 和端口 4 流向端口 1。
当线圈 #1 通电时,允许从端口 3 到端口 4 以及从端口 2 到端口 1 的流量。
当线圈 #2 通电时,允许从端口 3 到端口 2,以及从端口 4 到端口 1 的流量。
注意:虽然口 1 可以完全加压,但它不能用作阀门的入口。