产品名称:单向阀

产品型号:CV系列

产品介绍:

旋入式插装式液压止回阀,用作阻塞或负载保持装置。

包装方式:

技术参数 应用案列 资料下载

image.png

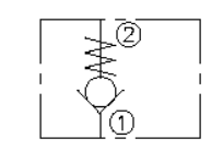
插装阀允许从口 1 到 2 的流量,同时通常阻止相反方向的流量。

插装阀有一个完全导向的单向阀,该单向阀由弹簧偏置关闭,直到在口 1 处施加足够的压力以打开口 2。

暂无内容

HYDRAFORCE(海德福斯)