产品名称:溢流阀

产品型号:RV10系列

产品介绍:

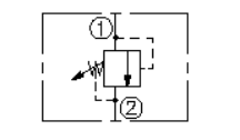
RV10是一种旋入式、插装式、直动式、提升式液压溢流阀,旨在用作常见液压回路保护的压力限制装置。
它旨在用于矿物基或合成(具有润滑特性)液压油。

包装方式:

技术参数 应用案列 资料下载

image.png

RV10 阻止从口 1 流向口 2,直到口 1 处有足够的压力迫使提升阀芯从其阀座中脱落。

该插装阀可对需要低内泄漏的典型液压回路中的负载变化做出快速响应。

暂无内容

HYDRAFORCE(海德福斯)